Saturday, 19 November 2022

Uenjoy Jeep Wiring Diagram Show Is Your Switches!

Power wheels jeep with turbo and accessories wiring diagram

Jeep cherokee wiring diagram stuff. Power wheels jeep with turbo and accessories wiring diagram. 1116 best jeep cherokee images on pinterest. Wiring tj

Show is your switches! - Jeep Wrangler Forum

Show is your switches! - Jeep Wrangler Forum

1116 best Jeep Cherokee images on Pinterest | Jeep stuff, Jeep truck

1116 best Jeep Cherokee images on Pinterest | Jeep stuff, Jeep truck

Power Wheels Jeep with turbo and accessories wiring diagram

Power Wheels Jeep with turbo and accessories wiring diagram

Wiring diagram for starting - Jeep Wrangler Forum

Wiring diagram for starting - Jeep Wrangler Forum

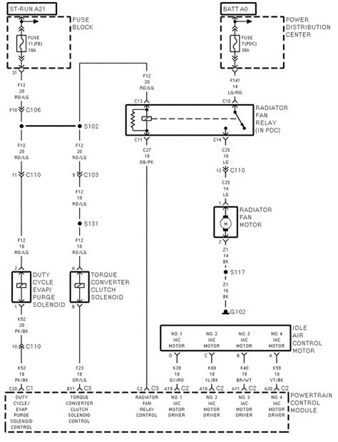
Need a TJ wiring diagram HELP!!!! - Page 2 - JeepForum.com

Need a TJ wiring diagram HELP!!!! - Page 2 - JeepForum.com





Share Artikel ini! »»

0 comments:

Post a Comment