Monday, 5 December 2022

Nissan Gtr Wiring Diagram R33 Gtst Wiring Diagram

Nissan qashqai j11 03.2015 wiring diagrams

Bnr32 radio wiring diagram. Wiring bose diagram speakers qx56 close. R33 gtst wiring diagram. Gtr k50

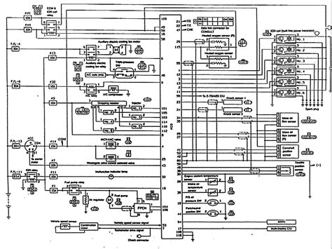
Nissan Skyline GT-R ECCS Wiring Diagram - Engine Control System - ECU

Nissan Skyline GT-R ECCS Wiring Diagram - Engine Control System - ECU

Bnr32 Radio Wiring Diagram

Bnr32 Radio Wiring Diagram

Nissan Skyline GT-R s in the USA Blog: Nissan Skyline GT-R ECCS Wiring

Nissan Skyline GT-R s in the USA Blog: Nissan Skyline GT-R ECCS Wiring

240 - WIRING for GT-R R35 Nissan GT-R - Auto parts

240 - WIRING for GT-R R35 Nissan GT-R - Auto parts

Rb26 Radio Wiring Diagram

Rb26 Radio Wiring Diagram





Share Artikel ini! »»

0 comments:

Post a Comment